NOBIC has organised an image contest for users of NOBIC imaging facilities (AOBIP at LKCMedicine and ABIF at SCELSE) following in the tradition of NOBIC Image Contest 2021 and 2023. The contest was open for image submission between 21th July and 4th September 2025. We have received 11 images which were then anonymously evaluated by an international panel of judges comprising representatives from academia and industry:
The judges selected 3 winners. We'd like to congratulate here to the winners and to express our thanks to the panel of judges. Last but not least, we'd like to thank all participants of the contest. There were more great images than there could be winners. We hope many more equally fascinating images will be acquired at NOBIC Facilities and we are looking forward to helping you along the journey.
Prizes for the winners were contributed by the contest sponsor Carl Zeiss Pte Ltd.
For more details refer to the contest announcement.
Colorectal Cosmos
Austin Seah Wen Kang, Suyeon Byun and Andrea Pavesi (LKCMedicine) and Michelle Eio (IMCB, A*STAR)
Taken on Carl Zeiss LSM800 using a 20X objective, this confocal image captures the periphery of a Colorectal Cancer Organoid. Distinctive F-actin-rich “zones” (red) indicate regions of strong cytoskeletal organisation and cell-cell junctions, reflecting the mechanical tension and polarity characteristics of epithelial tissues. EpCAM (green) is highly localised to the outermost layer, highlighting a well-defined epithelial boundary. With EpCAM’s periphery confinement, it suggests phenotypic heterogeneity, with outer cells possibly undergoing epithelial-mesenchymal-transition into a cancer stem-like trait. Together, this spatial organisation reflects a solid tumour-like architecture and captures key features of colorectal cancer, including epithelial polarity, self-renewal potential, and cytoskeletal remodelling reminiscent of cancer stem cell niches.
Fitting in boxes
Sakcham Bairoliya (SCELSE)
A 48-hour wastewater biofilm
stained with SYTO9 (green, indicating live cells) and PI (red,
indicating dead cells and extracellular DNA) reveals beautiful
compartmentalization within biofilms. Each compartment is a hot spot
for live biomass, lined by extracellular DNA structures. The image was
acquired on the Zeiss LSM780 inverted confocal microscope with the LD
Plan-Neofluor 40x/0.6 Korr M27 objective and the tiles function.
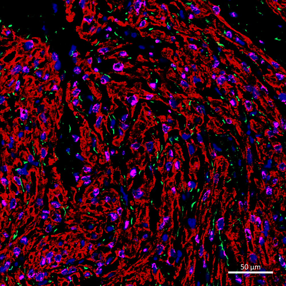
Mending a Broken Heart: Vessels of Hope
Leong Kye Siong (LKCMedicine)
In this confocal image acquired on LSM800, a cryosection from a pig heart post-myocardial infarction reveals the regenerative potential of transplanted human cardiovascular progenitor cells. The xenografted region, identified by human-specific Ku80 staining (Alexa647; Purple), is densely populated with cTNT-positive cardiac fibres (Alexa568; Red) and shows a striking increase in CD31-positive vasculature (Alexa488; Green). DAPI highlights all cell nuclei. This image visualises how cell transplantation enhances vascularization within the infarcted myocardium, offering a glimpse into future therapies for heart repair.
Microgliangelo
Chong Wei Jing (LKCMedicine)
Fixed BV-2 immortalized microglial cells immunostained for mitochondria (red), creatine kinase B (green), F-actin (magenta) and DAPI for nuclei (cyan). Image was taken on the Carl Zeiss LSM 800 inverted confocal microscope with Plan-Apochromat 63x/1.40 oil objective using Airyscan, taken with 405nm, 488nm, 561nm and 640nm lasers. Images were taken as two adjacent tiles and processed with the Airyscan processing tool on ZEN 3.1, which were then stitched together on Imaris and rotated 90 degrees anti-clockwise. Scale bar indicates 10um. Image shows two microglia in close contact with each other with almost touching mitochondria, reminiscent of Michelangelo's "Creation of Adam".
Seagrass underworld: The diatom metropolis
Sujatha Srinivas and Foo Yong Hwee (SCELSE)
On the surface of a seagrass leaf lies an unseen city. This scanning electron microscopy (SEM) image captures the microscopic “metropolis” of diatoms thriving on a leaf of the spoon seagrass, Halophila ovalis. Each diatom species, with its ornate silica walls, adding its own architecture to this microscopic jungle — towers, chains, and lattices intertwining in a dense canopy — forms an “underworld” community invisible to the naked eye.
Solar Cells, Literally
Samantha McCuskey (IDMxS) and Zhongxin Chem (NUS)
"Cross-section of a cyanobacterial
biofilm grown on an electrode, forming the active layer of a living
biophotovoltaic device (a system that captures sunlight and channels
microbial photosynthetic electrons into electricity).
Imaging Modality: Scanning electron microscopy (SEM)
Materials: Synechococcus elongatus cyanobacteria on indium tin oxide
(ITO)-coated glass electrodes.
Sample Preparation: Cells were fixed with glutaraldehyde, dehydrated
through an ethanol gradient, dried by CO₂ critical point drying, and
sputter-coated with 4 nm platinum. The electrode was then split in half
with a diamond scribe."
Sticky situation
Sakcham Bairoliya (SCELSE)
The matrix of a 48 hour wastewater biofilm growing on a nylon membrane. The proteins (green, FITC), polysaccahride (red, ConA-Alexa Fluor 647), and DNA (blue, DAPI) form an intricate network within the biofilm, supporting its growth and expansion. Image was acquired using a Zeiss LSM 780 inverted confocal microscope with the LD Plan-Apochromat 40x/1.3 Oil DIC M27 objective and contrast was adjusted using Zen blue software.
Visualizing Gut Barrier Integrity Healthy vs Leaky CaCO2 Monolayers
Seetanshu Junnarkar and Cynthia Whitchurch (SCELSE)
This image illustrates a healthy and leaky gut model developed in Professor Cynthia Whitchurch’s lab at SCELSE, NTU, using CaCO2 cells cultured on Transwell inserts for 21 days. Immunofluorescence staining was performed to visualize tight junction protein ZO-1 (green), β-catenin (red), F-actin via phalloidin (magenta), and nuclei (DAPI, blue). The samples were imaged using a Zeiss LSM 780 confocal microscope with a 63x oil immersion lens, and the volume view was captured and processed using IMARIS 9.0 software. In the healthy gut model, ZO-1 is apically localized, while β-catenin and phalloidin are restricted to the basal region, indicating strong epithelial polarization. Conversely, the leaky gut model displays fragmented ZO-1 and disrupted distribution of all markers, signifying compromised barrier integrity.